Semangat pagi semuanya
Terkadang kita menambahkan suatu fungsi di drawing membutuhkan waktu dan tidak luput dengan merapihkan annotation supaya mudah untuk dibaca. kita mengambil suatu contoh jika rancangan part memiliki beberapa lubang dan kita mengharuskan satu per satu menambahkan annotation untuk diberikan dokumentasinya dan itu akan sangat lama. SOLIDWORKS mengupayakan solusi yang cepat dan efektif untuk masalah ini, pada kesempatan kali ini kita akan mencoba membahas cara yang tepat untuk mendapatkan hasil dimensi yang mudah dibaca dari Hole di drawing.
Pertama kita siapkan rancangan part, disini kita ada simple part dengan tambahan hole wizard didalamnya.

Selanjutnya masukkan part kedalam drawing seperti pada gambar dibawah ini.

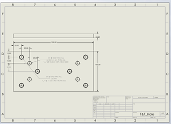
Dengan cara membuat annotation kepada Hole yang dibuat seperti pada gambar dibawah ini, dapat menimbulkan risiko terjadinya kesalahpahaman atau salah memproyeksikan karena bertabrakan antara lainnya, oleh karena itu kita bisa membuat semudah mungkin untuk melihatnya dengan menggunakan fitur tables

Klik Tables pada Command Manager “Annotation”, dan klik Hole Table


Disini kita bisa melihat terdapat dialog box yang perlu di-isi untuk menjawab hasil yang kita inginkan, kita akan mencoba untuk mengisi hal tersebut sesuai dengan rancangan part.

Pertama kita sesuaikan template standard hole, dan untuk bagian Datum kita pilih seperti pada gambar dibawah ini dan terakhir pada bagian "Holes" kita pilih permukaan (Edge/Faces) yang sejajar dengan arah hole

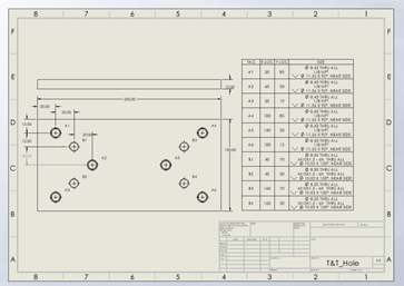
Kalau sudah maka hasilnya seperti pada gambar dibawah ini

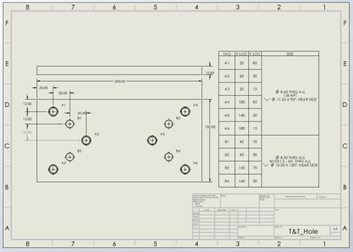
Kita bisa lihat bahwa Hole yang ada dimiliki kesamaan dimensi, oleh karena itu kita bisa untuk menyederhanakannya dengan cara klik pada hole table kemudian pada Scheme di feature tree manager kita ceklis “Combine same Sizes” atau bisa juga “Combine same Tags”. Jadi hasilnya seperti pada gambar ini

Jadi bagaimana rekan- rekan EDU, apakah tertarik untuk mencobanya
sampai jumpa di Tips&tricks yang akan datang..